Rof malam buɗe ido SOA Amplifier na gani malam buɗe ido semiconductor na gani amplifier
Fasali
Babban riba
Ƙarancin amfani da wutar lantarki
Asara mai dogaro da polarization
Babban rabon ƙarewa
Yana tallafawa sa ido kan zafin jiki da kuma kula da thermoelectric na TEC
Aikace-aikace
Gwajin samarwa da aiki na na'urorin fiber na gani
Ƙaramin ƙarfin sigina
Bangaren binciken dakin gwaje-gwaje
Tsarin sadarwa na fiber na gani
Sigogi
| Sigogi | Yanayin aiki | Naúrar | Minti | Nau'i | Mafi girma |
| Kewayon tsawon aiki |
| nm | 1490 |
| 1590 |
| bandwidth | @-3dB | nm | 55 |
| 60 |
| Cikakken ƙarfin gani | Idan = 250mA | dBm | 12 |
| 15 |
| Ƙaramin riba na sigina | Idan = 250mA Pin=-25dBm | dB | 25 |
| 30 |
| Samun fitowar jikewa | Idan = 250mA | dB | 12 |
|
|
| Aikin yanzu |
| mA |
| 250 | 400 |
| Ƙarfin wutar lantarki na gaba |
| V |
|
| 1.8 |
| Rabon ƙarewa | Idan=250mA/Idan=-0.4mA Pin=0dBm | dB |
| 50 |
|
| TEC current |
| A |
|
| 1.8 |
| TEC ƙarfin lantarki |
| V |
|
| 3.4 |
| Ribar da ta dogara da rarrabuwar kawuna |
| dB |
| 1.5 | 2 |
| Juriyar Thermistor | T=25℃ | KΩ | 9.5 | 10 | 10.5 |
| Thermistor na yanzu |
| mA |
|
| 5 |
| Zafin aiki |
| ℃ | -10 |
| 70 |
| Zafin ajiya |
| ℃ |
|
| 85 |
Lanƙwasa mai halayya



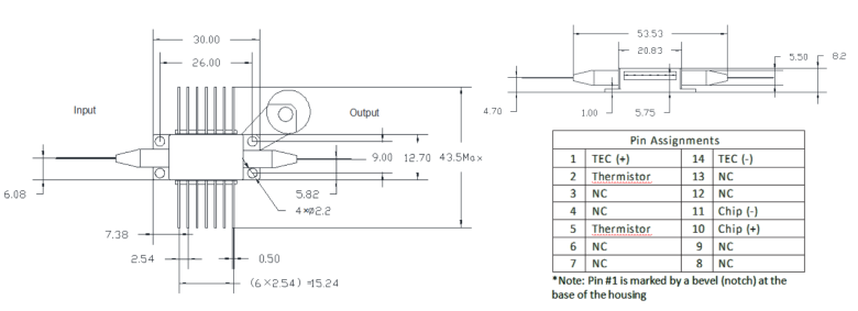
Tsarin girma

Rofea Optoelectronics tana ba da layin samfuran na'urorin lantarki na lantarki na kasuwanci, masu daidaita yanayin aiki, masu daidaita yanayin aiki, masu gano haske, tushen hasken Laser, masu auna hasken DFB, masu ƙara haske na gani, EDFA, laser SLD, tsarin QPSK, na'urar gano haske, na'urar gano haske mai daidaitawa, mai auna hasken Laser, mai ƙara haske na fiber, na'urar auna wutar lantarki ta Optical, na'urar auna wutar lantarki ta Optical, na'urar gano haske ta Broadband, na'urar gano haske ta Optical, na'urar gano haske ta Optical, na'urar gano haske ta Laser, na'urar gano haske ta Laser, na'urar gano haske ta Laser, na'urar gano haske ta Laser, na'urar gano haske ta Laser, na'urar gano haske ta Laser, na'urar gano haske ta Laser, na'urar gano haske ta Laser, na'urar auna haske ta Laser, na'urar auna haske ta Laser, na'urar auna haske ta fiber. Muna kuma samar da na'urori masu auna haske da yawa don keɓancewa, kamar na'urorin auna haske na 1*4, na'urorin auna haske na Vpi masu ƙarancin ƙarfi, da na'urorin auna haske na ultra-high, waɗanda galibi ana amfani da su a jami'o'i da cibiyoyi.
Da fatan kayayyakinmu za su taimaka muku da kuma bincikenku.










